文末下载完整资料
sbit DS1302CE=P0^0; sbit DS1302CK=P0^2; sbit DS1302IO=P0^1; extern bit DS18B20_Reset(void); extern void DS18B20_Write(unsigned char command); extern unsigned char DS18B20_Read(void); sbit DQ=P1^0; #define RSCLR P0_5=0//PORTC &=~ BIT(PORTC0) #define RSSET P0_5=1//PORTC |= BIT(PORTC0) #define RWCLR P0_6=0//PORTC &=~ BIT(PORTC1) #define RWSET P0_6=1//PORTC |= BIT(PORTC1) #define ENCLR P0_7=0//PORTC &=~ BIT(PORTC2) #define ENSET P0_7=1//PORTC |= BIT(PORTC2) extern void lcd_delay(unsigned int delaytime); extern void write_lcd_command(unsigned char write_command); extern void write_lcd_data(unsigned char write_data); extern void initize_lcd(void); extern void lcd_displaystr(unsigned char x,unsigned char y,const unsigned char *str); extern void lcd_displaystr_ram(unsigned char x,unsigned char y,unsigned char *str); 带温度测量LCD显示的实时时钟 extern void Init_DS1302_RTC(void); extern unsigned char Read_DS1302_RTC(unsigned char RTC_Address); extern void Write_DS1302_RTC(unsigned char RTC_Address,unsigned char RTC_Data); #include <REGX51.H> #include "1602LCDDriver.h" #include "DS18B20Driver.h" #include "DS1302Driver.h" //#include "tiaozheng.h" #include <INTRINS.H> struct TimerStruct { unsigned char Year; unsigned char Month; unsigned char Day; unsigned char Week; unsigned char Hour; unsigned char Minute; unsigned char Second; }; //const unsigned char DATECODE1[]={"Tiaosh"}; //const unsigned char DATECODE[]={"Date:"}; //const unsigned char TIMECODE[]={"Time:"}; const unsigned char DATECODE1[]={"TH"}; const unsigned char DATECODE2[]={"DF"}; const unsigned char DATECODE3[]={"DJ"}; //const unsigned char DATECODE4[]={' '}; sbit key1=P1^2; sbit key2=P1^3; sbit key3=P1^4; sbit sound=P1^1; sbit k1=P0^3; sbit k2=P0^4; unsigned char mins,hours,days,months,weeks,years; unsigned char a,b,c,k,flag1,flag2,flag3,flag4,flag5; unsigned char Minute1,Hour1,Day1,Month1,Week1,Year1; unsigned char Minute2,Hour2,Day2,Month2,Week2,Year2; unsigned char DATECODE22[1]={' '}; unsigned char DATECODE33[1]={' '}; //struct TimerStruct *Real; struct TimerStruct RealClock; unsigned char DateBuffer1[]={"2006/08/18/5"}; unsigned char TimeBuffer1[]= {"23:50:00"}; //const unsigned char DATECODE[]={"Date:"}; //const unsigned char TIMECODE[]={"Time:"}; unsigned char DateBuffer[]={"2005/01/01/5"}; unsigned char TimeBuffer[]= {"00:00:00"}; unsigned char LCDDisplayBuffer[]={" "}; unsigned int SecondCounter; //蜂鸣器测试 void fmq_fre(unsigned char f) { unsigned int i,j; for(i=f;i>0;i--) for(j=248;j>0;j--); //延时0.5MS } void fmq_delay(unsigned char delaytimef) { unsigned char j,h; for(j=delaytimef;j>0;j--) //for(k=200;k>0;k--) for(h=248;h>0;h--) { sound=1; fmq_fre(1); sound=0; fmq_fre(1); } } //jdq的测试 void jdq_delay(unsigned char delaytimej) { unsigned char k,i,j; for (k=delaytimej;k>0;k--) for(i=200;i>0;i--) for(j=248;j>0;j--); } void jdq(void) { k1=0; k2=0; } //时间调整 void tiao_delay(void) { unsigned char i,j; for(i=10;i>0;i--) for(j=248;j>0;j--); } unsigned char change( void ) { while(flag1) { if(key2==0) tiao_delay(); if(key2==0) a++; if(key3==0) tiao_delay(); if(key3==0) a--; switch(k) { case 1: mins=a%60; break; case 2: hours=a%24; break; case 3: days=a%32; break; case 4: weeks=a%8; break; case 5: months=a%13; break; case 6: years=a; break;} TimeBuffer1[4]=mins%10+0x30; //分个位 TimeBuffer1[3]=mins/10+0x30; TimeBuffer1[1]=hours%10+0x30; //时 TimeBuffer1[0]=hours/10+0x30; DateBuffer1[9]=days%10+0x30; //日 DateBuffer1[8]=days/10+0x30; DateBuffer1[6]=months%10+0x30;//月 DateBuffer1[5]=months/10+0x30;DateBuffer1[11]=weeks%10+0x30;//星期 DateBuffer1[3]=years%10+0x30; //年 DateBuffer1[2]=years/10+0x30;jdq_delay(2); if(key1==0) tiao_delay(); if(key1==0) flag1=0;write_lcd_command(12);lcd_displaystr_ram(0,1,DateBuffer1); lcd_displaystr_ram(1,1,TimeBuffer1); } } void tiao1(void) { mins=mins-mins/16*6; hours=hours-hours/16*6; days=days-days/16*6; months=months-months/16*6; years=years-years/16*6; TimeBuffer1[4]=mins%10+0x30; //分个位 TimeBuffer1[3]=mins/10+0x30; TimeBuffer1[1]=hours%10+0x30; //时 TimeBuffer1[0]=hours/10+0x30; DateBuffer1[9]=days%10+0x30; //日 DateBuffer1[8]=days/10+0x30; DateBuffer1[6]=months%10+0x30;//月 DateBuffer1[5]=months/10+0x30; DateBuffer1[11]=weeks%10+0x30;//星期 DateBuffer1[3]=years%10+0x30; //年 DateBuffer1[2]=years/10+0x30; lcd_displaystr_ram(0,1,DateBuffer1); lcd_displaystr_ram(1,1,TimeBuffer1); write_lcd_command(0x0f); write_lcd_command(0x80+0x45); jdq_delay(2); k=1,a=mins,flag1=1; change(); //分 write_lcd_command(0x0f); write_lcd_command(0x80+0x42); jdq_delay(2); k++,a=hours,flag1=1; change(); //时 write_lcd_command(0x0f); write_lcd_command(0x80+10); jdq_delay(2); k++,a=days,flag1=1; change(); //日 } void tiao2(void) { write_lcd_command(0x0f); write_lcd_command(0x80+12); jdq_delay(2); k++,a=years,flag1=1; change(); //星期 write_lcd_command(0x0f); write_lcd_command(0x80+7); jdq_delay(2); k++,a=months,flag1=1; change(); //月 write_lcd_command(0x0f); write_lcd_command(0x80+4); jdq_delay(2); k++,a=years,flag1=1; change(); //年 mins=mins+mins/10*6; hours=hours+hours/10*6; days=days+days/10*6; months=months+months/10*6; years=years+years/10*6; jdq_delay(5); } //调整1302时间 void tiaozheng(struct TimerStruct *Real) { lcd_displaystr(0,14,DATECODE1); mins=Real->Minute; hours=Real->Hour; days=Real->Day; months=Real->Month; weeks=Real->Week; years=Real->Year; tiao1(); tiao2(); write_lcd_command(0x01);//清屏 Write_DS1302_RTC(0x8e,0x00); //写控制 Write_DS1302_RTC(0x80,0x00); //写秒 Write_DS1302_RTC(0x82,mins); //写分 Write_DS1302_RTC(0x84,hours); //写时 Write_DS1302_RTC(0x86,days); //写日 Write_DS1302_RTC(0x88,months); //写月 Write_DS1302_RTC(0x8a,weeks); //写星期 Write_DS1302_RTC(0x8c,years); //写年 Write_DS1302_RTC(0x8e,0x80); //控制 initize_lcd(); Init_DS1302_RTC(); } //调整蜂鸣器定时 void dingshif(void) { flag3=1; lcd_displaystr(0,14,DATECODE2); mins=Minute1; hours=Hour1; days=Day1; //months=Month1; //weeks=Week1; //years=Year1; tiao1(); tiao_delay(); mins=mins+mins/10*6; hours=hours+hours/10*6; days=days+days/10*6; Minute1=mins; Hour1=hours; Day1=days; //Month1=months; //Week1=weeks; //Year1=years; write_lcd_command(0x01);//清屏 DATECODE22[0]='&'; if(flag4==1) DATECODE33[0]='!'; jdq_delay(5); lcd_displaystr(0,14,DATECODE22); lcd_displaystr(0,15,DATECODE33); } //调整继电器定时 void dingshij(void) { flag4=1; lcd_displaystr(0,14,DATECODE3); mins=Minute2; hours=Hour2; days=Day2; //months=Month2; //weeks=Week2; //years=Year2; tiao1(); mins=mins+mins/10*6; hours=hours+hours/10*6; days=days+days/10*6; Minute2=mins; Hour2=hours; Day2=days; // Month2=months; //Week2=weeks; //Year2=years; k1=k2=1; write_lcd_command(0x01); //清屏 DATECODE33[0]='!'; if(flag3==1) DATECODE22[0]='&'; jdq_delay(5); lcd_displaystr(0,14,DATECODE22); lcd_displaystr(0,15,DATECODE33); } 123456789101112131415161718192021222324252627282930313233343536373839404142434445464748495051525354555657585960616263646566676869707172737475767778798081828384858687888990919293949596979899100101102103104105106107108109110111112113114115116117118119120121122123124125126127128129130131132133134135136137138139140141142143144145146147148149150151152153154155156157158159160161162163164165166167168169170171172173174175176177178179180181182183184185186187188189190191192193194195196197198199200201202203204205206207208209210211212213214215216217218219220221222223224225226227228229230231232233234235236237238239240241242243244245246247248249250251252253254255256257258259260261262263264265266267268269270271272273274275276277278279280281282283284285286287288289290291292293294295296297298299300301302303304305306307308309310311312313314315316317318319320321322323324325326327328329330331

演示视频:https://www.bilibili.com/video/BV1HM4m1279D/?spm_id_from=333.999.0.0
相关知识
让爱宠不再挨饿:基于51单片机的定时宠物投喂自动喂食器
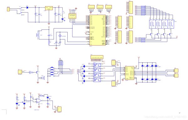
基于单片机的宠物自动喂食器
让爱宠不再饿肚子:基于51单片机的定时宠物投喂自动喂食器
基于单片机智能无线蓝牙定时器宠物喂食器、药盒系统设计
基于单片机的智能宠物喂食器设计
基于单片机智能无线蓝牙定时器宠物喂食器
基于单片机宠物智能定时喂食投食系统设计
基于单片机的智能宠物喂食器开题报告
智能宠物定时喂食器的设计
宠物定时喂食器设计
网址: 基于单片机的宠物定时喂食器设计 https://m.mcbbbk.com/newsview747924.html
| 上一篇: STM32单片机蓝牙APP宠物自 |
下一篇: 宠物自动喂食器行业分析报告 |